It is highly recommended to build the newer version linked to above.
This is a simple USB MIDI to eight gates and sixteen control voltage outputs. The gates are 0V for off and 5V for on. The control voltage outputs are 12-bit and 0V to 4.096V in range, with a four octave range for pitch. The gate outputs are via 1k resistors. The cv outputs are via 100 ohm resistors.
In mapping mode 0, gates 1 to 8 respond to note on and note off messages on MIDI channels 1 to 8. CV outputs 1 to 8 are determined by the pitch of note on messages on MIDI channels 1 to 8. CV outputs 9 to 16 are determined by the velocity of note on messages on MIDI channels 1 to 8.
In mapping mode 1, gates 1 to 8 respond to note on and note off messages on MIDI channels 1 to 8. CV outputs 1 to 8 are determined by the pitch of note on messages on MIDI channels 1 to 8. CV outputs 9 to 16 are determined by the control change message for controller 1 on MIDI channels 1 to 8.
In mapping mode 2, gates 1 to 8 respond to note on and note off messages on MIDI channels 1 to 8. CV outputs 1 to 16 are determined by the pitch bend value of pitch bend messages on MIDI channels 1 to 16.
The code is for Arduino using the Teensyduino add-on. Download the code here: http://milkcrate.com.au/_other/downloads/arduino/usb_midi_8_gate_16_cv/usb_midi_8_gate_16_cv.ino
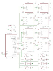
The schematic is shown below, making use of 1 Teensy LC microcontroller, 8 MCP4822 DACs, 2 CD4050 buffers, 26 resistors and 2 LEDs.
Download the schematic here: http://milkcrate.com.au/_other/downloads/arduino/usb_midi_8_gate_16_cv/usb_midi_8_gate_16_cv_interface.sch
The PCB layout is shown below, and features a basic layout with through-hole components.
Download the PCB here: http://milkcrate.com.au/_other/downloads/arduino/usb_midi_8_gate_16_cv/usb_midi_8_gate_16_cv_interface.brd





No comments:
Post a Comment